01
/01
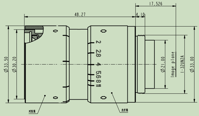
技术参数:
| 型号 | HR5M12A | |
| 焦距 | 12mm | |
| 光圈范围 | F2-16 | |
| 滤镜尺寸 | M30.5×0.5 | |
| 对焦范围 | 0.03m~∞ | |
| 镜头尺寸 | Φ33.5×48.27mm | |
| 光学畸变 (最佳物距) | -0.47% | |
| 像面大小 | Φ11mm | |
| 接口 | C-Mount | |
| 视场角 (D*H*V) | 2/3" | 49.5°×40.6°×31° |
| 1/1.8" | 41.6°×33.6°×25.8° | |
| 1/2" | 39.8°×30°×23° | |
尺寸图:

为什么选择我们?
先进的技术研发能力
作为高新技术企业和产学研合作企业,公司在发展的过程中,不断的引进国内外优秀人才,以博士硕士研究生与资深专业工程师等先进技术人才组成的研发团队。自主研发,拥有光学镜片、镜头和仪器相关技术发明及实用新型专利共计40余项。
凭借卓越的研发能力、先进的生产设备和严格的质量控制体系,我司镜头系列扩展到广泛的工业级产品,涵盖1/7.5″、1/4”、1/3"、1/1.8",2/3” 到1.2”乃至更大相面,都有相应的方案予以支持。
公司镜片镜头产品涵盖安防、机器视觉、医疗、车载、瞄具、智能家居以及运动相机等领域。可根据客户需求,提供ODM服务,独家定制研发。
优质的制造能力
88858cc永利始终秉承高标准的产品品质要求为客户提供光学产品综合解决方案,注重产品品质,精密检测器具、高精端生产设备配备的齐全。镜片、镜头和仪器设计、研发、加工、组装拥有完整生产链及充足的生产能力,各个环节层层把关。
采用的进口新科隆溅射镀膜机,有效提高镜片的精度和膜层透过率的均匀性;在检测仪器上,偏心检测、面型检测、镀膜曲线检测 均采用进口设备或国产大厂设备,保证检测数据的有效性以及产品质量和产品良率,进而提高生产效率。设施的齐全和人员的齐备为我司的制造提供了强有力保障。
严苛的检验流程
公司已通过ISO 9001:2015质量认证和汽车行业质量管理体系认证IATF 16949,并且已经建立了严谨、完整、高标准的质量控制体系。从采购到生产再到售后质量管控,都有清晰明确的规范制度,公司遵循着客户导向,严控过程的理念,将质量控制程序贯穿于产品的整个生命周期中,确保从原料到售后服务的质量。公司内部管理以5S为标准,产品生产的质量管控以6sigma为目标,争取以最稳定的质量赢得客户的支持。
完善的配套服务
我司各部门分工明确,生产以及办公严格地按照5S标准来执行。 拥有完善的售前售后服务。 凭借先进的技术研发能力、优质的制造能力、严苛的检验流程,构建起强大的生产制造、质量控制、经营服务体系,为企业持续高速发展提供有力保障。
车间设备





